
FRANKEN Radiusfräser 3268C, TiCN, HSS-Co8
Art. 211310.0800
statt CHF 76.20
- inkl. MwSt.
- zzgl. Versandkosten
- mehr von FRANKEN
ab Lager verfügbar
Beschreibung / Merkmale
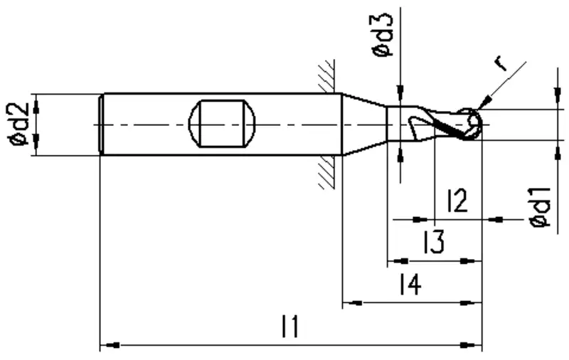
3268C, Typ N, HSS-E Co8, Ø 2-20 mm, TiCN-Beschichtung, Drallwinkel 30°, Spanwinkel 10°, Schneidentoleranz h10, Weldon (mit Fläche, HB), Schafttoleranz h6, extrakurz, Zentrumschnitt, mit Vollradius, Anzahl Zähne 2, Werksnorm
Made in Germany
Herstellernummer 3268C.002
Herstellernummer 3268C.002
Merkmale
















-
- d1 mm 12
- r mm 6
- l2 mm 16
- l3 mm -
- l4 mm 26
- d2 mm 12
- l1 mm 73
- d3 mm 11.5
- Z 2
Download Files
Gewährleistungsfrist: 24 Monat(e), Bring-In
Rückgabefrist: 14 Tage (Datum Lieferschein)
Rückgabefrist: 14 Tage (Datum Lieferschein)